
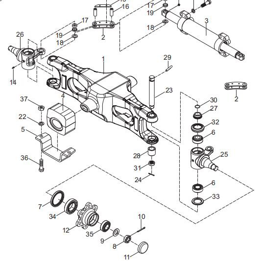
フォークリフトステアリングアクスルは、フォークリフトのリアアクスルとも呼ばれます。フォークリフトは車と違います。前輪で駆動され、後輪が操舵されるので、フォークリフトのリアアクスルがステアリングアクスルです。
フォークリフトの操作の重要な部分として、フォークリフトステアリングアクスルは、動力システム全体とトランスミッションシステムを接続すると同時に、ブレーキシステムと駆動システムを接続するハブとして機能します。、ステアリングナックルキングピン、および様々なベアリングが一緒に構成されています。フォークリフトのステアリングアクスルは、ステアリングホイール、連結シャフト、ステアリングギアなどのフォークリフト上部のステアリングシステムに接続され、ステアリング操作をステアリングアクスルに伝達し、ステアリングアクスル内のシリンダーの力を介して、ステアリングタイヤを接続することにより、フォークリフトのステアリング動作が完了する。













